NLV-1001

HOME > 製品一覧 > 定置式スキャナ > NLV-1001
image
NLV-1001

小型 1次元レーザ定置式スキャナ

NLV-1001

定置式スキャナ | レーザ | ケーブル

カタログダウンロード
image

取り付けに配慮した筐体設計

重さわずか 30 g
超小型の設計により取り付け自由度を高めました。

image

GS1-128 に対応

流通業界、医療業界のトレーサビリティ業務などで使われる Code-128、EAN-128 にも対応しています。

image

多彩なインターフェイス

RS-232C、USB/HID、USB/VCP の 3 タイプをご用意しました。さまざまホスト機器に対応します。
※受注生産、ロット対応とさせていただくモデルもございます。

  • 電気的特性
    入力電源電圧4.5 ~ 5.5 V
    消費電流150 mA (動作時) 70 mA (待機時)
    インターフェイスRS-232C、USB (HID/COM)
    光学的特性
    光源赤色半導体レーザ 650 nm
    走査速度100 スキャン/秒
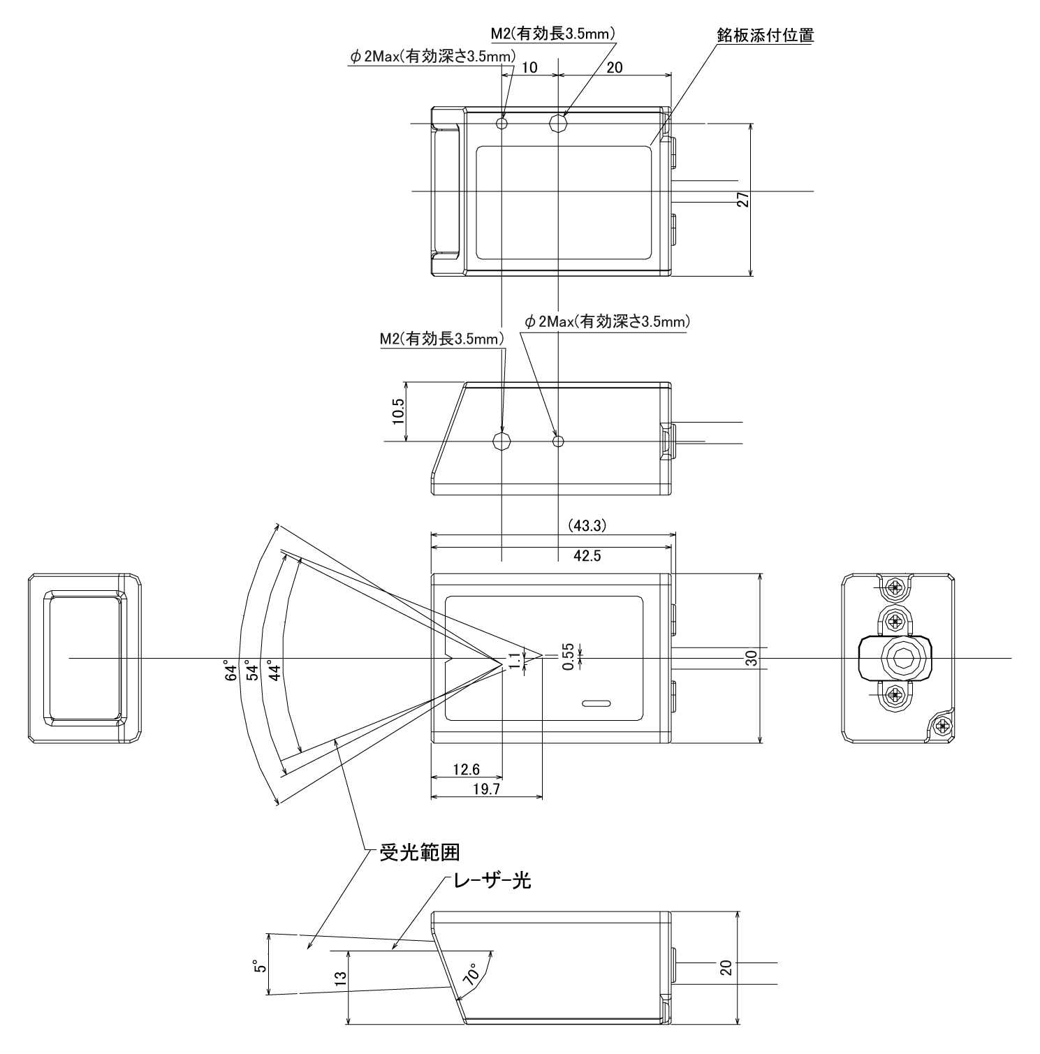
    読取コード(1次元)JAN-13, JAN-8, EAN-13, EAN-13 Add-on, EAN-8, EAN-8 Add-on, UPC-A, UPC-A Add-on, UPC-E, UPC-E Add-on, Code 39, Tri-Optic, NW-7 (Codabar), Industrial 2 of 5, Interleaved 2 of 5, S-Code, Code 93, Code 128, MSI/Plessey, GS1 DataBar(RSS), UK/Plessey, TELEPEN, Matrix 2 of 5, Chinese Post Matrix 2 of 5, Code 11
    ピッチ角度±35°
    スキュー角度±50°(デッドゾーン±8°を除く)
    チルト角度±20°
    歪曲面読み取りR≧15 mm (JAN-8)、R≧20 mm (JAN-13)
    最小 PCS 値0.45
    最小分解能0.127 mm
    環境特性
    動作温度-10 ~ 45°
    保存温度-20 ~ 60°
    動作湿度20 ~ 85%RH (結露、氷結がないこと)
    保存湿度20 ~ 90%RH (結露、氷結がないこと)
    耐外乱光(蛍光灯)3,000 lx
    耐外乱光(太陽光)50,000 lx
    耐静電気 非破壊15 kV
    対落下強度0.75 m
    防塵・防滴IP42
  • 機能
    トリガトリガキー
    外部トリガ入力 (先バラ線仕様のみ)
    物理仕様
    本体重さ30 g
    適合法令及び規格
    レーザ安全規格IEC/EN 60825-1、JIS C 6802
    EMCEN 55035, EN 55032 Class B
    FCC Part 15 Subpart B Class B
    VCCI クラス B
    環境負荷抑制対応RoHS 指令
    RS-232C 先バラ ピンアサイン
    ケーブル色信号名備考
    TXDRS-232C 通信線
    RXDRS-232C 通信線
    RTSRS-232C 通信線
    CTSRS-232C 通信線
    Trigger外部トリガ入力端子
    S-GND信号線 GND
    VCC電源電圧 4.5~5.5V(Typ.5V)
    OK外部OK出力端子
    NG外部NG出力端子
    黒(太)F-GNDフレームGND
    RS-232C インターフェイスケーブル
    線材導体部直径AWG28
    被覆線直径0.58 mm
    ケーブル径φ3.8±0.5 mm
    ケーブル長1500±50 mm

    備考

    掲載値は当社規定の測定方法によるものです。保証値は別途仕様書をご参照ください。

    記載内容は予告無く変更されることがあります。あらかじめご了承ください。

    RoHS 対応について: 弊社の判断による対応品であり、 EU における法的な効力を有するものではありません。

ダウンロード

お問い合わせ

CONTACT

各種お問い合わせは、こちらより承ります。お気軽にお問い合わせください。

お問い合わせ

ホームページからのお問い合わせ

お問い合わせ一覧へ