MDC-200A

小型広範囲1次元CCDモジュールエンジン

MDC-200A

モジュールエンジン | CCD

組み込みに最適なコンパクトサイズCCDモジュール

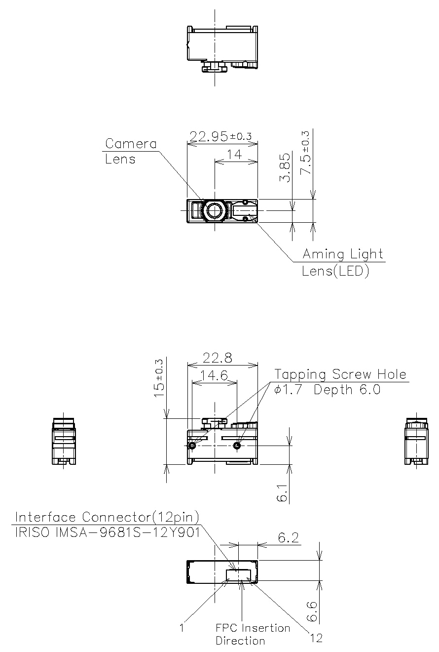
MDC-200Aは、高さ7.5mmで組込み装置や携帯端末搭載に最適なコンパクトサイズを実現しています。

スクリーン上のバーコード読み取り

スマートフォンなどに表示された、バーコードを容易によみとれます。

  • 電気的特性
    電源電圧範囲3.0 ~ 3.6 V
    光学的特性
    読み取り光源赤色LED
    読み取り方式CCDリニアイメージャセンサー
    読み取り速度300 スキャン/秒(最大)
    走査角度水平: 約 50.0°、垂直: 約 約 0.5°
    読み取り特性
    読み取りコード
    (1次元コード)
    UPC-A, UPC-A Add-on, UPC-E, UPC-E Add-on, EAN-13, EAN-13 Add-on, EAN-8, EAN-8 Add-on, Code 39, Tri-Optic, NW-7 (Codabar), Industrial 2 of 5, Interleaved 2 of 5, Code 93, Code 128, GS1-128, S-Code, MSI/Plessey, UK/Plessey, TELEPEN, Matrix 2of5, Chinese Post Matrix 2of5, IATA, GS1 DataBar, GS1 DataBar Limited, GS1 DataBar Expanded, Code 11, Korean Postal Authority code
    ピッチ角度±50°
    スキュー角度±65°
    チルト角度±25°
    湾曲面読み取りR ≧ 15 mm
    最小 PCS 値0.3 以上
    最小分解能0.127 mm (Code 39)
  • 環境特性
    動作温度-20 ~ 60 ℃
    保存温度-40 ~ 70 ℃
    動作湿度5 ~ 90 %RH (非結露、非氷結)
    保存湿度5 ~ 90 %RH (非結露、非氷結)
    耐外乱光 蛍光灯4,000 lx 以下
    耐外乱光 太陽光100,000 lx 以下
    耐落下強度指定ダミーケースに固定し、高さ 1.8 m からコンクリート床面に 10 方向 10 サイクル自由落下後、読み取りに異常がないこと。
    物理仕様
    外形寸法15.0 × 22.8 × 7.5 mm (DWH)
    質量2.4 g
    適合法令および規格
    LED 安全IEC 62471 リスク免除グル-プ
    環境負荷抑制対応RoHS 指令

    備考

    掲載値は弊社規定の測定方法によるものです。保証値は別途仕様書をご参照ください。

    記載内容は予告無く変更されることがあります。あらかじめご了承ください。

    RoHS 対応について: 弊社の判断による対応品であり、EU における法的な効力を有するものではありません。

ダウンロード

お問い合わせ

CONTACT

各種お問い合わせは、こちらより承ります。お気軽にお問い合わせください。

お問い合わせ

ホームページからのお問い合わせ

お問い合わせ一覧へ